УСТРОЙСТВО КОНТРОЛЯ ЛИНИИ СВЯЗИ И ПУСКА — УКЛСиП(С)220Б
УКЛСиП(С)220Б предназначено для управления реверсивным приводом с электронным управлением (например, типа BLE230):
-
• установками дымо- и газоудаления;
• инженерным, технологическим оборудованием и иными устройствами, участвующими в обеспечении пожарной безопасности;
• комбинированными установками.
УКЛСиП(С)220Б может работать:
-
• в составе ППУ «Гефест» (при подключении в линию связи (ЛС) с управляющим устройством ЦБ или УКЛСиП(РП);
• под управлением стороннего приемно-контрольного прибора (ППКП) или прибора управления пожарного (ППУ), формирующих команду «Пуск» подачей постоянного напряжения от 19 до 24 В.
Обеспечивает:
-
• по команде «Пуск» управление реверсивным исполнительным устройством или приводом (далее – ИУ), получающими питание от сети 230 В, 50 Гц;
• контроль исправности (на КЗ) цепи, соединяющей выключенную секцию ИУ с УКЛСиП(С)220Б;
• контроль исправности (на обрыв) цепей обоих секций, соединяющих ИУ с УКЛСиП(С)220Б;
• контроль наличия напряжения сети 230 В, 50 Гц;
• формирование сигнала «Неисправность» размыканием контактов цепи вывода информации (выход ЦВ).
При использовании «Конвертера сухого контакта КСК» (далее – КСК) обобщенный сигнал «Неисправность» может транслироваться по ЛС на управляющее устройство ЦБ или УКЛСиП(РП).
Основные технические характеристики УКЛСиП(С)220Б
|
Технические характеристики |
Значение |
|
Параметры управляемых исполнительных устройств (ИУ), не более: — напряжение питания — ток |
(195–253) В, 50 Гц 2 А |
|
Параметры внешнего пускового сигнала на клеммах «КУ»: напряжение токопотребление, не более |
19–28 В 16 мА |
| Ток, потребляемый от сети 230 В (клеммы L и N), не более | 6 мА |
| Напряжение контроля цепей ИУ, не более | 16 В |
|
Допустимая нагрузка на выход «ЦВ»: напряжение, не более ток, не более |
= 60 В 0,1 А |
| Степень защиты оболочки |
с верхней крышкой – IР30 без верхней крышкой – IР20 |
| Средний срок службы | 10 лет |
| Диапазон рабочих температур | от -5°С до + 55°С |
| Габаритные размеры, не более | 109х42х37 мм |
| Масса. не более | 0,15 кг |
| Высота установки над уровнем моря, не более | 1000 м |
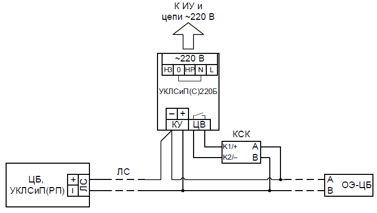
Схема подключения УКЛСиП(С)220Б к управляющему устройству УУ (ЦБ или УКЛСиП(РП)) по ЛС
Покупая Устройство контроля и линии связи УКЛСиП(С)220Б, Гефест у нас Вы можете быть спокойны, так как мы даём гарантию и минимальную цену товара.
Если у Вас возникли вопросы, Вы всегда можете связаться с нами, для получения более подробной информации об интересующем Вас товаре.
Если у Вас есть потребность купить данный товар, добавьте его к запросу КП (Коммерческое предложение) и укажите Вашу почту для обратной связи или же отправьте Ваш список Нам.
Производим доставку по всему Казахстану в минимальные сроки.
Для оптовых покупателей действуют скидки.
Если нашли товар дешевле чем у нас, сообщите нам об этом. И мы постараемся снизить цену.



