Устройство коммутации и диагностики для системы управления технологическим оборудованием УК-Д(01)
УК-Д(01) предназначены для коммутации (включения /выключения) различных исполнительных устройств, инженерного и технологического оборудования, работающих от сети переменного тока с напряжением до 250В или постоянного тока с напряжением до 30В
Обеспечивает:
• две группы перекидных контактов реле;
• формирование извещения «Неисправность» при пропадании напряжения внешнего источника питания;
• отключение нагрузки при превышении температурой окружающей среды значения 90±5 °C.
УК-Д(01) может работать в составе ППУ «Гефест» (при подключении в линию связи с головным устройством ЦБ или УКЛСиП(РП)) или под управлением стороннего ППУ (подключение через УКЛСиП(РП)).
Принцип работы:
• линия связи должна иметь напряжение от 20 до 28 В (питание ЦБ или УКЛСиП(РП) от источника 24 В);
• число подключаемых в линии связи устройств определяется при проектировании, исходя из суммарного тока потребления исполнительными устройствами;
• устройство по команде «Пуск» включает реле с перекидными контактами;
• при обрыве обмотки собственного пускового реле устройство формирует и передает головному устройству ЦБ или УКЛСиП(РП) извещение «Неисправность».
Максимальные напряжение и ток, коммутируемые контактами исполнительного реле: ≈250 В, 3 А; =30 В, 3 А.
Технические характеристики
|
Параметр |
Значение |
| Напряжение в линии связи (ЛС) ППУ «Гефест» (от ЦБ или УКЛСиП(РП)) | от 20 – 28 В |
|
Величина тока, потребляемого по ЛС, не более в дежурном режиме в режиме неисправности в режиме Пуск |
8 мА 8 мА 30 мА |
|
Максимальное напряжение и ток, коммутируемые контактами исполнительных реле переменное напряжение постоянное напряжение |
250 В, ток 3 А 30 В, ток 3 А |
|
Степень защиты оболочки от воздействия окружающей среды с установленной верхней крышкой со снятой верхней крышкой |
IР30 IР20 |
| Диапазон рабочих температур | от –40 до +55°С |
| Средний срок службы | 10 лет |
| Габаритные размеры, не более | 106х42х37 мм |
| Масса, не более | 0,150 кг |
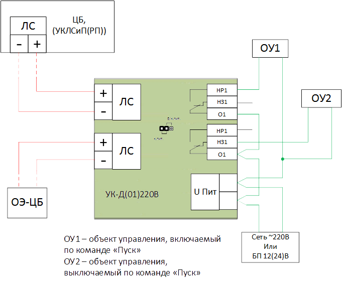
Схема подключения
Покупая Устройство коммутации и диагностики УК-Д(01), Гефест у нас Вы можете быть спокойны, так как мы даём гарантию и минимальную цену товара.
Если у Вас возникли вопросы, Вы всегда можете связаться с нами, для получения более подробной информации об интересующем Вас товаре.
Если у Вас есть потребность купить данный товар, добавьте его к запросу КП (Коммерческое предложение) и укажите Вашу почту для обратной связи или же отправьте Ваш список Нам.
Производим доставку по всему Казахстану в минимальные сроки.
Для оптовых покупателей действуют скидки.
Если нашли товар дешевле чем у нас, сообщите нам об этом. И мы постараемся снизить цену.





