Модификация МНА 300 (величина расхода воды при пожаротушении 300 л/мин при давлении 12,0 МПа).
Описание модулей насосных агрегатных МНА 300
Автоматические установки водяного пожаротушения тонкораспылённой водой высокого давления собирают по гидравлической схеме с применением модулей насосных агрегатных (МНА) с применением плунжерных насосов в модификации МНА 300 расходующей при пожаротушении 300 л/мин воды при давлении 12,0 МПа.
Конструкция
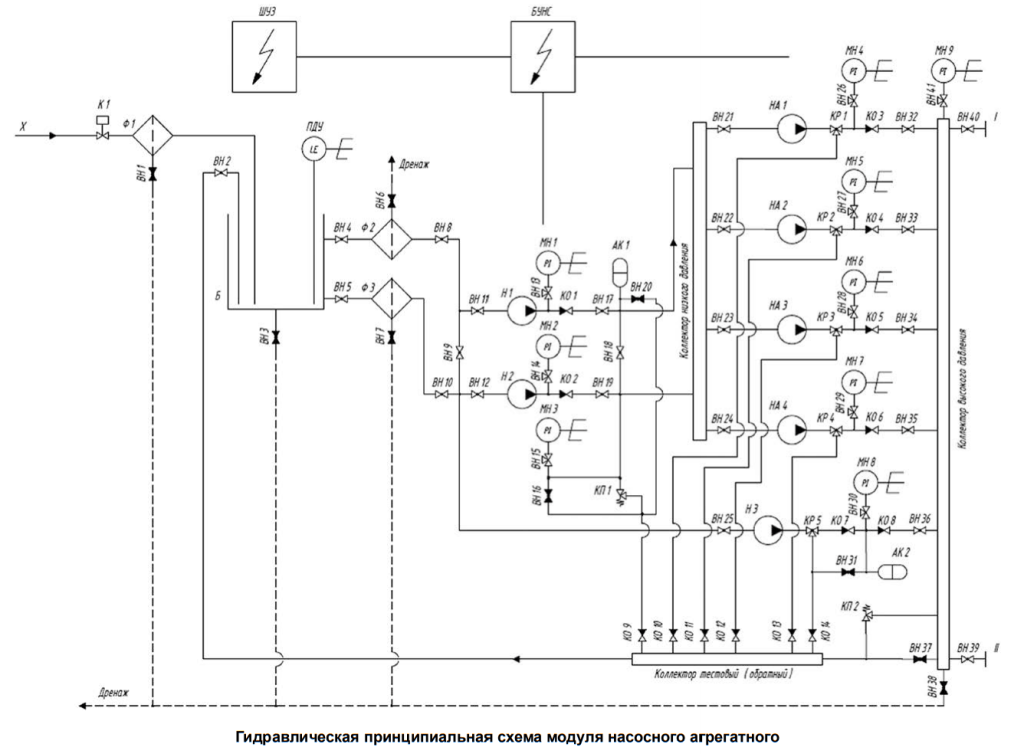
Конструкция МНА 300 представляет собой опорную раму, изготовленную из стального металлопроката, имеющую 3 уровня.
На 1 и 2 уровне установлены одинаковые насосные агрегаты высокого давления, запорная арматура, клапаны обратные и манометры, на 3 уровне установлены подпитывающие насосы низкого давления, гидроаккумуляторы и насос-жокей, запорная арматура, клапаны обратные и манометры. Входные и выходные патрубки каждого уровня соединены с соответствующими патрубками питающего и нагнетательного коллекторов модуля.
Все МНА в составе насосной установки НУ также соединяются двумя коллекторами – питающим и нагнетательным.
Трубопроводы изготовлены из стальных нержавеющих труб и соединительных элементов, каждый трубопровод закольцован.
Насосные агрегаты низкого и высокого давления имеют электрический привод, привод насосов высокого давления управляется с применением преобразователя частоты электрического тока. Электрическое оборудование, управляющее алгоритмом работы НУ, размещено в электрических шкафах: блок управления насосной станцией (БУНС), шкаф управления обводной задвижкой (ШУЗ) водомерного узла.
Сертификация
Конструкция и алгоритм работы МНА соответствуют требованиям нормативных документов и имеют сертификат соответствия в составе АУВП ТРВ ВД «Гефест» ТУ 26.30.50-001-98632430-2020.
Работа установки АУВП ТРВ ВД «Гефест»
Основным режимом работы установки является автоматический режим, в котором различают «Дежурный режим» и «Режим «Пожар».
При дежурном режиме вода в напорном трубопроводе находится под давлением 2,0 МПа. Все насосные агрегаты отключены. Давление воды создаётся и поддерживается насосом-жокеем, который включается при снижении давления до минимального рабочего уровня.
В режиме «Пожар» при вскрытии одного и более спринклерных распылителей снижается давление в напорном трубопроводе ниже порогового уровня. Манометры и датчики потока, установленные на спринклерном узле управления, подают команду на запуск подкачивающего насоса и насоса высокого давления через шкаф управления.
Происходит тушение возгорания путём распыления воды по защищаемой площади. Если пожар развивается, вскрываются следующие спринклерные распылители, расход воды увеличивается, давление в трубопроводе продолжает снижаться.
Для поддержания рабочего давления при тушении пожара включается в работу ещё один насосный агрегат высокого давления. Таким образом, могут быть автоматически включены в работу все насосные агрегаты высокого давления. В случае неисправности какого-либо насосного агрегата, в том числе и насоса подпитки, включается в работу соответствующий резервный насосный агрегат.
В случае наличия дренчерной секции пожаротушения команда на открытие клапана секционного дренчерного подаётся через шкаф управления от системы пожарной сигнализации.
Наличие электрического напряжения питания, состояние запорной арматуры трубопроводов, уровень воды в резервуаре и режимы работы насосных агрегатов, согласно заложенному алгоритму работы установки, контролируются и обеспечиваются программируемым контроллером шкафа управления. На лицевой панели шкафа управления отражается соответствующая световая индикация.
Характеристики
| Давление, МПа | 12 |
| Расход воды, л/мин. | 300 |
| Габаритные размеры, мм | 1500х1500х1500 |
| Диаметр условного прохода входных патрубков, мм | 50 |
| Диаметр условного прохода выходных патрубков, мм | 32 |
| Масса не более, кг | 2000 |
| Напряжение электрического тока промышленной частоты, B | 380/220 |
| Мощность не более, кВА | 130 |

Покупая Модули насосные агрегатные МНА 300, Гефест у нас Вы можете быть спокойны, так как мы даём гарантию и минимальную цену товара.
Если у Вас возникли вопросы, Вы всегда можете связаться с нами, для получения более подробной информации об интересующем Вас товаре.
Если у Вас есть потребность купить данный товар, добавьте его к запросу КП (Коммерческое предложение) и укажите Вашу почту для обратной связи или же отправьте Ваш список Нам.
Производим доставку по всему Казахстану в минимальные сроки.
Для оптовых покупателей действуют скидки.
Если нашли товар дешевле чем у нас, сообщите нам об этом. И мы постараемся снизить цену.
