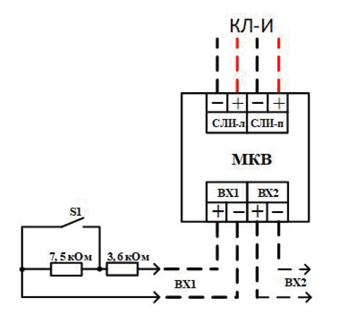
Модули контроля входов МКВ4-И предназначены для приема сигналов с релейных выходов сторонних технических средств пожарной автоматики и их преобразование в логические события внутри системы.
В качестве таких технических средств могут быть, например, сторонние ИП (с релейными выходами) или ППКП.
Особенности:
• контроль состояния релейных контактов– 4 независимых входа;
• автоматический контроль исправности входов на обрыв и КЗ (по сопротивлению);
• возможность ь гибкого конфигурирования логических событий, создаваемых при срабатывании входов и их начальных состояний (НО/НЗ);
• длина линии связи до релейного контакта не более 1 м;
• возможность установки на DIN-рейку.
Совместимость
• контроллер локальный КЛ-И;
• сторонние технические средства пожарной автоматики с релейными выходами;
• программатор адреса ПА-И.
Технические характеристики:
| Параметр | Максимальное значение |
| Напряжение питания модуля (от СЛИ) | от 19 до 27 В |
|
Токопотребление от СЛИ в дежурном режиме, не более |
0,2 мА |
|
Допустимая нагрузка на выходы модулей: напряжение, не более ток, не более |
60 В 0,6 А |
| Средняя наработка на отказ, не менее | 60 000 ч |
| Средний срок службы, не менее | 10 лет |
| Степень защиты оболочки | IP41 |
| Габаритные размеры, не более | 93х104х34 мм |
| Диапазон рабочих температур | от -5 до 55 °C |
| Масса, не более | 0,2 кг |

Покупая Модуль контроля входов МКВ4-И, Гефест у нас Вы можете быть спокойны, так как мы даём гарантию и минимальную цену товара.
Если у Вас возникли вопросы, Вы всегда можете связаться с нами, для получения более подробной информации об интересующем Вас товаре.
Если у Вас есть потребность купить данный товар, добавьте его к запросу КП (Коммерческое предложение) и укажите Вашу почту для обратной связи или же отправьте Ваш список Нам.
Производим доставку по всему Казахстану в минимальные сроки.
Для оптовых покупателей действуют скидки.
Если нашли товар дешевле чем у нас, сообщите нам об этом. И мы постараемся снизить цену.



