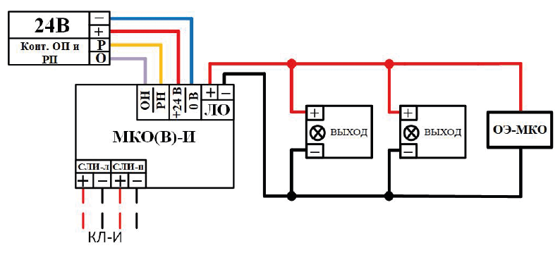
Модуль контроля оповещения предназначен для контроля и управления группой световых и звуковых оповещателей с питанием 24 В.
МКО(В)-И предназначен для подключения и питания постоянно включенных световых оповещателей (например, табличек «Выход»). МКО(В)-И не осуществляет смену полярности напряжения питания линии оповещения (ЛО). По команде с БКУ-И позволяет автоматически управлять (включение / выключение) режимом мигания оповещателя
Особенности:
• контроль и управление световыми и звуковыми оповещателями, включенными постоянно (например, оповещателями «Выход»);
• автоматический контроль исправности линии оповещения (ЛО) на обрыв и КЗ (по наличию ответа от «ОЭ-МКО»);
• самовосстановление ЛО после КЗ;
• 2 режима работы:
— прямая полярность;
— прямая полярность с миганием.
• необходим внешний источник электропитания оповещателей (24 В);
• контроль исправности внешнего источника питания 24 В и величины его выходного напряжения;
• возможность гибкого конфигурирования логического события для активации оповещения и начального состояния (смены);
• возможность установки на DIN-рейку.
Совместимость
• контроллер локальный КЛ-И;
• оповещатели пожарные световые и звуковые с питанием 24 В;
• программатор адреса ПА-И.
Технические характеристики:
| Параметр | Максимальное значение |
| Напряжение в СЛИ (модулированное по амплитуде) | до 26 В |
| Токопотребление от СЛИ, не более | 0,15 мА |
|
Напряжение питания оповещателей (от внешнего источника) номинальное допустимое ток, не менее * |
24 В 19 – 27 В 2,2 А |
|
Пороги определения пониженного напряжения питания порог «Неисправность» порог «Норма» |
менее 19 В более 21 В |
|
Максимальный ток для питания оповещателей (от БП) собственный ток потребления для питания оповещателей |
20 мА 700 мА |
| Частота в режиме мигания | 0,5 – 2 Гц |
| Средняя наработка на отказ, не менее | 60 000 ч |
| Средний срок службы, не менее | 10 лет |
| Степень защиты оболочки | IP30 |
| Диапазон рабочих температур | от — 5 до 55 °C |
| Габаритные размеры, не более | 93х104х34 мм |
| Масса, не более | 0,2 кг |
* – необходимо для корректного определения КЗ в ЛО.
МКО(В)-И предназначен для подключения постоянно включенных световых оповещателей.
Не осуществляет смену полярности напряжения ЛО. По команде с БКУ-И возможен переход в мигающий режим.

Покупая Модуль контроля оповещения МКО(В)-И, Гефест у нас Вы можете быть спокойны, так как мы даём гарантию и минимальную цену товара.
Если у Вас возникли вопросы, Вы всегда можете связаться с нами, для получения более подробной информации об интересующем Вас товаре.
Если у Вас есть потребность купить данный товар, добавьте его к запросу КП (Коммерческое предложение) и укажите Вашу почту для обратной связи или же отправьте Ваш список Нам.
Производим доставку по всему Казахстану в минимальные сроки.
Для оптовых покупателей действуют скидки.
Если нашли товар дешевле чем у нас, сообщите нам об этом. И мы постараемся снизить цену.





